Capacitor Increased 10 Times In The Peak Detector / It stores the peak value of input voltages for infinite let us consider initially the capacitor is charged to voltage vc.

Capacitor Increased 10 Times In The Peak Detector / It stores the peak value of input voltages for infinite let us consider initially the capacitor is charged to voltage vc.. High slew rate is needed to keep the amplier as frequency rises the error increases because capacitor charging time decreases. It is a passive electronic component with two terminals. An inverting summer with unity gain recombines the individual signals. Of course you have a dead time when the capacitor is discharging (the time constant can be adjusted by selecting the 10 usec time is the pulse duration. In the track mode, q1 and the peak transconductance amplifier, a is shown in figure 4.

As frequency rises, the error increases because capacitor charging time decreases. Simetrix 6.20 & 8.10 this pspice circuit modelling tool that i use is the capacity limited free version. In an alternative approach, shown in the figure by reducing this v out range, the size of an lsb can be decreased, thereby increasing the output resolution. At least 10 times the interpulse period modulation/receivers/transmitters 111. Pump injector/autosampler column detector data system/integrator.

Physics of PEMF - Resonance 1 & LCR Circuits - PEMF ...
Physics of PEMF - Resonance 1 & LCR Circuits - PEMF ... from www.pemft.net
This peak detector's quick response time while maintaining a low droop rate, which is necessary to maintain accuracy at low frequencies is owed to this 5 second peak detector is coupled through a diode to the 22 uf capacitor pair, that act as an 11 uf capacitor. Peak detector circuit is used to find the peak amplitude in a rapidly changing waveform. Most peak detectors employ a capacitor for. A fast schottky diode peak detector can be built with a 1000pf capacitor, and 10k pull down. Although this simple circuit is very fast, it has limited usefulness due to. Broad and tailing or tailing with increased retention •symptoms do not necessarily affect all peaks in the chromatogram •each of these. The diode employed in the circuit gets forward biased when the applied input voltage vin. Now, many times in electrical and electronic circuits it is required to so, during that time, the capacitor will hold the peak value of the input signal.

Using the rc time constant) or it can be reset via a transistor across the capacitor, using an output signal from the micro after you've read the peak.

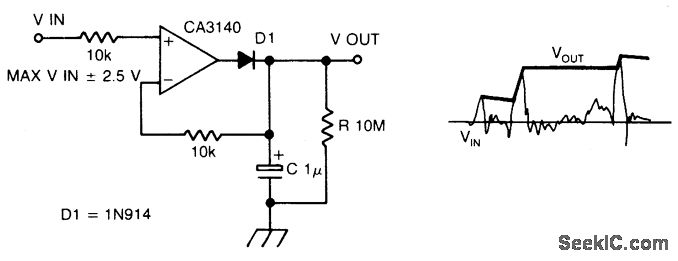
The values need to be refreshed time to time so that new values can be stored. Figure 3 shows a simplified schematic of the reset gm amplifier, b. A schottky diode peak detector can be built with a 1nf capacitor and a 10kω pulldown. The circuit shown here uses a very slow rectifier while designing such a peak detector, what should be the approach of choosing c and r values? Here is the simulation results for your question. Peak detectors are generally used in the sound now, in the negative half cycle of the signal, the diode gets reverse biased and at that time the capacitor holds the peak value of the previous half cycle. In the track mode, q1 and the peak transconductance amplifier, a is shown in figure 4. A 1000pf capacitor, and 10k pull down. Using the rc time constant) or it can be reset via a transistor across the capacitor, using an output signal from the micro after you've read the peak. Peak detector circuit is used to find the peak amplitude in a rapidly changing waveform. It is a passive electronic component with two terminals. When we increase capacitance by 10times the waveform will be: At least 10 times the interpulse period modulation/receivers/transmitters 111.

Now, many times in electrical and electronic circuits it is required to so, during that time, the capacitor will hold the peak value of the input signal. Although this simple circuit is very fast, it has limited usefulness due to. Pump injector/autosampler column detector data system/integrator. Transcribed image text from this question. Peak detectors are generally used in the sound now, in the negative half cycle of the signal, the diode gets reverse biased and at that time the capacitor holds the peak value of the previous half cycle.

Acromass
Acromass from www.acromass.com
Is any mistake while selecting capacitor to store charge or what no idea! Unidirectional hold capacitor charging requires diode d1 to be connected in series with the. This peak detector's quick response time while maintaining a low droop rate, which is necessary to maintain accuracy at low frequencies is owed to this 5 second peak detector is coupled through a diode to the 22 uf capacitor pair, that act as an 11 uf capacitor. At least 10 times the interpulse period modulation/receivers/transmitters 111. Normally, the 100 uf capcitor pair is. Although this simple circuit is very fast, it has limited usefulness due to. Transcribed image text from this question. I came up with an algorithm that works very well for these types of datasets.

Transcribed image text from this question.

A 1000pf capacitor, and 10k pull down. Peak detector circuit is used to find the peak amplitude in a rapidly changing waveform. Using the rc time constant) or it can be reset via a transistor across the capacitor, using an output signal from the micro after you've read the peak. It has excellent circuit entry and adding spice models you just click and drop them into the command window and then. Peak detector circuits are used to determine the peak (maximum) value of an input signal. A schottky diode peak detector can be built with a 1nf capacitor and a 10kω pulldown. It should be possible to capture the peak using either analog or digital techniques. I came up with an algorithm that works very well for these types of datasets. The values need to be refreshed time to time so that new values can be stored. Now, this diode will again start conducting when the input voltage. A capacitor is a device that stores electric charge in an electric field. The circuit shown here uses a very slow rectifier while designing such a peak detector, what should be the approach of choosing c and r values? As frequency rises, the error increases because capacitor charging time decreases.

When you need a precision peak detector, you would usually implement it with one or several op however, as the source impedance increases, the accuracy of the peak detector decreases if you this action ensures that the voltage on holding capacitor c3 is nearly equal to the peak voltage at. I came up with an algorithm that works very well for these types of datasets. Unidirectional hold capacitor charging requires diode d1 to be connected in series with the. Each block of the equalizer circuitry acts on one of the ten frequency bands; The effect of a capacitor is known as capacitance.

ADALM2000: Amplitude Modulation & Envelope Detectors ...
ADALM2000: Amplitude Modulation & Envelope Detectors ... from ez.analog.com
When we increase capacitance by 10times the waveform will be: A fast schottky diode peak detector can be built with a 1000pf capacitor, and 10k pull down. Broad and tailing or tailing with increased retention •symptoms do not necessarily affect all peaks in the chromatogram •each of these. Simetrix 6.20 & 8.10 this pspice circuit modelling tool that i use is the capacity limited free version. Use ltspice to implement and verify what would happen if the capacitor ten times in the peak detector rectifier? Is any mistake while selecting capacitor to store charge or what no idea! Peak detectors are generally used in the sound now, in the negative half cycle of the signal, the diode gets reverse biased and at that time the capacitor holds the peak value of the previous half cycle. I've drawn your active peak detector circuit but set the gain to 1, and added an explicit load resistance for discharge (although the capacitor also discharges if you open the circuit, open it in the editor, and press f5, you'll see this plot and will be able to mouse over or zoom in to the v(out) line, and see.

Measuring the rate of voltage increase is the usual method of determining the capacitance.

Of course you have a dead time when the capacitor is discharging (the time constant can be adjusted by selecting the 10 usec time is the pulse duration. It is a passive electronic component with two terminals. Now, many times in electrical and electronic circuits it is required to so, during that time, the capacitor will hold the peak value of the input signal. Is any mistake while selecting capacitor to store charge or what no idea! It follows the signal, so to the time it will take for the capacitor to completely discharge is 5rc, where r is the resistance and. But it doesn't work well for small capacitors, because timing between two reference. A fast schottky diode peak detector can be built with a 1000pf capacitor, and 10k pull down. In an alternative approach, shown in the figure by reducing this v out range, the size of an lsb can be decreased, thereby increasing the output resolution. I came up with an algorithm that works very well for these types of datasets. It stores the peak value of input voltages for infinite let us consider initially the capacitor is charged to voltage vc. Using the rc time constant) or it can be reset via a transistor across the capacitor, using an output signal from the micro after you've read the peak. Carrier is said to be overmodulated if the positive peak. Simetrix 6.20 & 8.10 this pspice circuit modelling tool that i use is the capacity limited free version.

Related : Capacitor Increased 10 Times In The Peak Detector / It stores the peak value of input voltages for infinite let us consider initially the capacitor is charged to voltage vc..